|
¹ÙÀÌ¿À Àåºñ Àü¹®Á¡ ÄÁºñÁ¯¿¡¼ Á¦°øÇϴ ȣ¸ð¹Í¼/µð½ºÆÛ/¾ÆÁöÈ£¸ð¹Í¼-Homo Mixer&Disper
. Á¦Á¶»ç : Primix (Japan) . Model : Mark 2.5 . »óÅ : ½Åǰ . È£¸ð¹Í¼ÀÇ °æ¿ì 3¸®ÅÍ (¹°) ±îÁö °¡´ÉÇÕ´Ï´Ù. ÀϺΠũ¸²ÀÇ °æ¿ì °í¿ÂÀ¸·Î Á¡¼ºÀÌ ³·À» °æ¿ì ÃÖ´ë 5¸®ÅÍ Ã³¸® °¡´É . È£¸ðµð½ºÆÛ´Â ÃÖ´ë 5¸®ÅÍ Ã³¸® °¡´É
T.K. Homo Mixer MarkII, Model 2.5´Â ÈÀåǰ, Á¦¾à, ½Äǰ ¹× ÈÇÐ ºÐ¾ß¿¡¼ ³Î¸® º¸±ÞµÇ¾î ÀÖ´Â À¯È.±ÕÁú.ºÐ»ê±âÀÔ´Ï´Ù. ±¹³»¿¡¼´Â È£¸ð¹Í¼·Î ³Î¸® Åë¿ëµÇ¾î Áö°í ÀÖ½À´Ï´Ù. Ä«º»ÀÌ ¾ø´Â AC ¸ðÅ͸¦ »ç¿ëÇÔÀ¸·Î¼, Ä«º»¿¡¼ ¹ß»ýÇÒ ¼ö ÀÖ´Â ºÒ¼ø¹°¿¡ ´ëÇÑ ¿À¿°ÀÇ ¿ì·Á°¡ ¾ø°í ¼ÒÀ½ÀÌ ÀûÀ¸¸ç ¸Å¿ì ¾ÈÁ¤ÀûÀ¸·Î µ¿ÀÛÀÌ µË´Ï´Ù.
¢Ã Á¦Ç°¼³¸í
È£¸ð¹Í¼ (Homo Mixer)´Â ÀϹÝÀûÀ¸·Î È¥ÇÕ ¹× ¿ëÇØ¸¦ À§ÇØ »ç¿ëµÇ¾îÁö´Â ±³¹Ý±â (Mixer/Overhead stirrer/Agitator µîÀ¸·Î Ç¥Çö)¿Í ȸÀüÀÚ(rotor)ÀÇ °í¼ÓȸÀüÀ» ÅëÇÑ ³ôÀº Àü´Ü·Â (tip speed : 20 ~ 30 m/s)À» ÀÌ¿ëÇÏ¿© À¯È.±ÕÁú.ºÐ»ê±â (Emulsifier/Homogenizer/Disperser µîÀ¸·Î Ç¥Çö)ÀÇ Áß°£ Á¤µµ ¼öÁØÀÇ ÀÔÀÚ»çÀÌÁ ÅëÇÑ À¯È.±ÕÁú.ºÐ»ê ¸ñÀûÀ¸·Î »ç¿ëµÇ´Â ±â±âÀÔ´Ï´Ù.
È£¸ð¹Í¼´Â ȸÀüÀÚ(rotor)/°íÁ¤ÀÚ(stator)¸¦ ÀÌ¿ëÇÑ À¯È.±ÕÁú.ºÐ»ê ±â±âÀÔ´Ï´Ù. ȸÀüÀÚÀÇ °í¼Ó ȸÀüÀ¸·Î ÀÎÇØ ¹ß»ýµÇ´Â ȸÀüÀÚ ÁÖÀ§ÀÇ Áø°ø¿¡ ÀÇÇØ ó¸®ÇϰíÀÚ ÇÏ´Â ¹°ÁúÀÌ ¾Æ·¡¿¡¼ ȸÀüÀÚ »çÀÌ·Î »¡·Á µé¾î°¡ ȸÀüÀÚ¿Í °íÁ¤ÀÚÀÇ ¹Ì¼¼ÇÑ °£±Ø¿¡¼ À¯È.±ÕÁú.ºÐ»ê µÇ°í °íÁ¤ÀÚÀÇ »óºÎ¿¡ ¶Õ·Á ÀÖ´Â ±¸¸ÛÀ» ÅëÇØ¼ ó¸®µÈ ¹°ÁúÀÌ ¹èÃâµÇ¾î ³ª¿À°Ô µÇ´Â °ÍÀÔ´Ï´Ù.
È£¸ð¹Í¼ÀÇ °æ¿ì, ±ÕÁú.ºÐ»ê±â¿¡ ºñÇϸé, À¯È.±ÕÁú.ºÐ»êÀÇ ¼öÁØÀÇ Á¶±Ý ³·À» ¼ö ÀÖÁö¸¸, ó¸®ÇÏ´Â Á¡¼ºÀÌ ±ÕÁú.ºÐ»ê±â´Â ÃÖ´ë 5,000 mPas (=cp)À̳»¿¡¼ »ç¿ëÀ» ÇÏ¿©¾ß ÇÏÁö¸¸, PRIMIXÞä¿¡¼ °ø±ÞÇϴ ȣ¸ð¹Í¼ÀÇ °æ¿ì´Â ÃÖ´ë 70,000 mPas ¼öÁØÀÇ ÁßÁ¡¼º ¼öÁØÀÇ Á¡¼ºÀ» °¡Áø ¹°ÁúÀ» ó¸®ÇÒ ¼ö ÀÖ½À´Ï´Ù. ȸÀüÀÚÀÇ È¸Àü ¼Óµµ¸¦ ³ªÅ¸³»´Â RPM display »Ó¸¸ ¾Æ´Ï¶ó, ¾ÏÆä¾î(A)¹ÌÅͰ¡ ÀÖ¾î ó¸®ÇÏ´Â °úÁ¤ Áß Á¡¼ºÀÇ º¯È¿¡ µû¸¥ ¾ÏÆä¾î º¯È¸¦ Ç¥½ÃÇØ ÁÜÀ¸·Î½á, Á¡¼º º¯ÈÀÇ »óŸ¦ ¾Ë ¼ö ÀÖ½À´Ï´Ù. ó¸® ÀÌ»óÀÇ Á¡¼º¿¡ µµ´ÞÇÏ¿´À» °æ¿ì¿¡´Â ¾ÏÆä¾î¹ÌÅÍ¿¡ ±ôºý±ôºýÇÏ´Â ½ÅÈ£¸¦ º¸³»°í ¾à°£ÀÇ ½Ã°£ ÈÄ¿¡ ¸ðÅÍ º¸È£ Â÷¿ø¿¡¼ µ¿ÀÛÀÌ ¸ØÃß°Ô µÇ´Â ±â´ÉÀÌ ÀÖ½À´Ï´Ù.
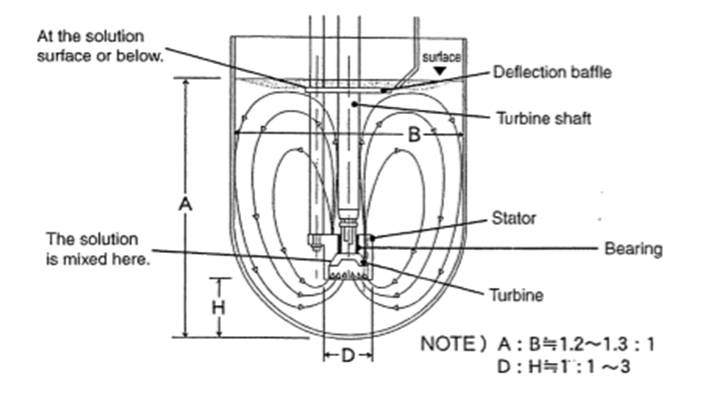
ó¸®ÇϰíÀÚ ÇÏ´Â ¹°ÁúÀÇ Á¡¼º, ¹°ÁúÀÇ Æ¯¼º, ¿ë±â »çÀÌÁî, ȸÀüÀÚ/°íÁ¤ÀÚÀÇ À§Ä¡ µî¿¡ µû¶ó 󸮹°ÀÇ °á°ú¿¡ ´ëÇÑ ¼º´ÉÀÌ ´Þ¶óÁú ¼ö ÀÖ½À´Ï´Ù. È£¸ð¹Í¼¸¦ »ç¿ëÇÏ½Ç ¶§, ÇϱâÀÇ ±×¸²À» ÂüÁ¶ÇϽñ⠹ٶø´Ï´Ù.









|